在現代電子設備中,LED顯示屏因其高效、節能、色彩鮮艷等特點而被廣泛應用。而AIP1620作為一款專為LED驅動控制設計的芯片,憑借其卓越的性能和靈活的控制方式,成為了眾多電子產品中不可或缺的關鍵部件。本文將詳細介紹AIP1620芯片的技術規格和典型應用圖,幫助讀者更好地了解其功能和應用場景。
AIP1620該芯片采用功率CMOS工藝制造,具有高集成度、低功耗和高可靠性的特點。它主要應用于VCR、VCD、DVD及家庭影院等產品的顯示屏驅動,能夠實現多種顯示模式和靈活的輝度調節功能。
AIP1620芯片內部集成了MCU數字接口、數據鎖存器等電路,支持串行接口通信(CLK、STB、DIO),并通過內置的RC振蕩器(450KHz±5%)實現穩定的時鐘信號。此外,它還具備內置上電復位電路,確保在電源啟動時能夠自動初始化,避免因電源波動導致的顯示異常。

(一)顯示模式
AIP1620支持多種顯示模式,包括8段×6位到10段×4位的配置,能夠滿足不同尺寸和分辨率的LED顯示屏需求。用戶可以根據實際應用選擇合適的顯示模式,通過指令設置段和位的個數,實現靈活的顯示效果。
(二)引腳功能
AIP1620芯片采用SOP20封裝,具有20個引腳,每個引腳都有明確的功能定義。例如,VDD引腳為邏輯電源輸入,SEG1至SEG8為段輸出引腳,GRID1至GRID6為位輸出引腳,DIO引腳用于串行數據輸入/輸出,CLK引腳為時鐘輸入,STB引腳用于片選和初始化。這些引腳的合理布局和功能設計,使得AIP1620能夠與外部電路無縫連接,實現高效的信號傳輸和控制。

(三)電氣特性
AIP1620的電氣特性如下:
邏輯電源電壓范圍為3V至5.5V,能夠適應不同的電源環境。
高電平輸入電壓范圍為0.7VDD至VDD,低電平輸入電壓范圍為0至0.3VDD,確保了信號的穩定傳輸和識別。
LED段驅動輸出電流最大為-50mA,位驅動輸出電流最大為+200mA,能夠滿足普通LED顯示屏的驅動需求。
功率損耗最大為400mW,工作溫度范圍為-40℃至+80℃,儲存溫度范圍為-65℃至+150℃,焊接溫度為250℃(10秒),這些參數保證了芯片在各種環境下的可靠性和穩定性。
(四)時序特性
AIP1620的時序特性如下:
時鐘脈沖寬度(PWCLK)最小為400ns,選通脈沖寬度(PWSTB)最小為1μs,數據建立時間(tSETUP)和保持時間(tHOLD)均為100ns,這些時序參數確保了串行數據傳輸的準確性和穩定性。
最大時鐘頻率(Fmax)為1MHz(占空比50%),能夠滿足高速數據傳輸的需求。
傳輸延遲時間(tPLZ、tPZL)和上升/下降時間(TTZH1、TTZH2、TTHZ)等參數,保證了信號在傳輸過程中的完整性和一致性。
(五)指令系統
AIP1620通過串行接口接收指令,實現對顯示模式、數據寫入、地址設置和顯示控制等功能的靈活配置。指令分為顯示模式設置、數據命令設置、顯示控制命令設置和地址命令設置四大類。例如,通過顯示模式設置指令,用戶可以選擇4位、5位或6位的顯示模式;通過數據命令設置指令,可以選擇寫數據到顯示寄存器的模式、地址增加模式和測試模式;通過地址設置指令,可以指定顯示寄存器的地址;通過顯示控制指令,可以控制顯示的開關狀態和消光數量。
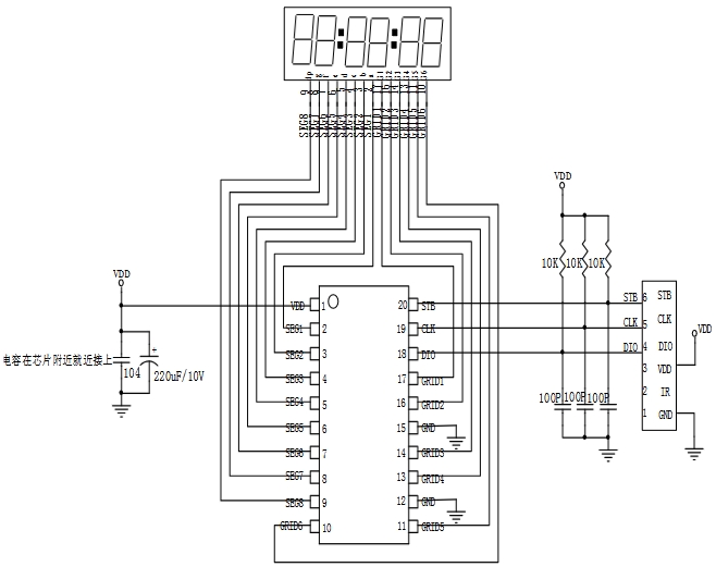
AIP1620的典型應用電路如下圖所示:

在該應用電路中,AIP1620通過其引腳與外部電路連接,實現對LED顯示屏的驅動控制。具體連接方式如下:
VDD引腳連接電源正極,為芯片提供邏輯電源。
GND引腳連接電源地,確保電路的穩定接地。
SEG1至SEG8引腳連接到LED顯示屏的段驅動端,用于控制顯示屏的段顯示。
GRID1至GRID6引腳連接到LED顯示屏的位驅動端,用于控制顯示屏的位顯示。
DIO引腳連接到微控制器或外部數據源,用于接收串行數據。
CLK引腳連接到微控制器或外部時鐘源,用于提供時鐘信號。
STB引腳連接到微控制器或外部控制信號源,用于初始化串行接口和控制指令的接收。
在實際應用中,用戶可以根據需要選擇合適的顯示模式和數據傳輸方式,通過微控制器向AIP1620發送指令和數據,實現對LED顯示屏的靈活控制。例如,可以通過設置顯示模式指令選擇4位、5位或6位的顯示模式;通過設置數據命令指令選擇寫數據到顯示寄存器的模式、地址增加模式和測試模式;通過設置地址指令指定顯示寄存器的地址;通過設置顯示控制指令控制顯示的開關狀態和消光數量。
AIP1620是一款高性能的LED驅動控制芯片,憑借其靈活的顯示模式、豐富的指令系統和穩定的電氣特性,在VCR、VCD、DVD及家庭影院等產品的顯示屏驅動領域得到了廣泛應用。通過本文的詳細介紹,讀者可以更好地了解AIP1620的技術規格和典型應用,為實際應用中的電路設計和系統開發提供參考。