在當今電子設備日益復雜且對電源效率要求極高的背景下,開關電源同步整流芯片成為了提升電源性能的關鍵元件之一。LP3610S作為芯茂微精心研發的一款高性能開關電源同步整流芯片,憑借其卓越的性能和廣泛的應用兼容性,正在成為眾多電源設計工程師的首選。
LP3610S 是一款專為開關電源設計的高性能同步整流芯片,它內置了耐壓高達 45V 的功率管,能夠兼容 DCM(不連續導通模式)和 CCM(連續導通模式)等多種工作模式。這款芯片采用了專利的整流管開通技術,有效避免了因激磁振蕩引起的誤開通現象,從而顯著提高了電源系統的穩定性和可靠性。同時,LP3610S 還集成了 VCC 供電技術,確保芯片在各種工作狀態下都能獲得穩定的供電,進一步增強了系統的穩定性。LP3610S內部框架圖如下所示~

開關電源同步整流應用
內置 45V 耐壓功率管
兼容 DCM 和 CCM 多種工作模式
專利的整流管開通技術
集成 VCC 供電技術
芯片供電欠壓保護
芯片過壓鉗位
外圍元器件少

LP3610S 廣泛應用于充電器和適配器的同步整流、反激式控制器以及其他開關電源控制系統中。其 SOP8L 的封裝形式和較少的外圍元器件需求,使得它在緊湊型設計中具有顯著的優勢。
LP3610S 的電氣參數經過精心設計,以滿足各種復雜的工作條件。例如,其 VCC 工作電壓范圍為 5.1V 至 5.6V,啟動電壓為 3.3V 至 3.7V,欠壓保護閾值為 3.0V 至 3.5V。這些參數確保了芯片在不同的輸入電壓條件下都能穩定工作。此外,整流管的開通電壓閾值為 -0.25V 至 -0.15V,關斷閾值為 -8mV 至 -2mV,這些精確的閾值設置使得同步整流的控制更加精準。

當系統上電后,LP3610S 通過內置 MOS 的體二極管對輸出電容充電,輸出電壓逐漸上升。隨著輸出電壓的上升,芯片內部的供電電路開始工作,為 VCC 電容充電。當 VCC 的電壓達到開啟閾值時,芯片內部控制電路開始工作,MOS 管開始正常的導通和關斷。此時,電流不再從體二極管流過,而是從 MOS 的溝道流過,從而實現高效的同步整流。
DCM 工作時,由于電感的激磁作用,當初級芯片關斷時,會產生振蕩。為了防止誤檢測振蕩信號,導致同步整流管的異常開啟, LP3610S 采用專利的整流管開通技術。
當初級芯片關斷時,次級 LP3610S 的漏極 D 與GND 之間的電壓迅速下降。 LP3610S 通過檢測 D和 GND 之間的下降電壓閾值和下降速率,能準確
的判斷同步整流管的開啟。
開通條件:
TSR>0.5uS & dVds/dt> K & Vds<-0.2V

為了避免同步整流管導通時,因激磁振蕩幅度較大,導致誤檢測關斷信號,使同步整流管異常的關斷;LP3610S 通過整流管關斷閾值,能準確地判斷同步整流管的關斷。
關斷條件:同步整流一旦開通,在比較器屏蔽時間 Tb 內不進行關斷動作。當 Ton>Tb&The Vds voltage >-5mV,關斷同步。
在設計 LP3610S 的 PCB 時,需要遵循一些關鍵的指南以確保最佳性能。首先,主功率回路的走線應盡可能短且粗,以減少電阻損耗。其次,當自供電時,VCC 的旁路電容需要緊靠芯片的 VCC 管腳和 GND 管腳,以減少電源噪聲。此外,當 VCC 接輸出電壓正端供電時,VCC 和 GND 應盡量靠近輸出電容的兩端。最后,增加 D 引腳的鋪銅面積可以提高芯片的散熱性能。
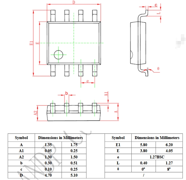
LP3610S 采用 SOP8L 封裝形式,這種封裝不僅尺寸緊湊,而且具有良好的散熱性能和電氣特性。封裝的詳細尺寸信息如下

LP3610S 以其高性能、高可靠性和廣泛的兼容性,成為了開關電源同步整流芯片領域的一顆明珠。它不僅能夠顯著提高電源系統的效率,還能通過集成的多種保護功能確保系統的穩定運行。對于追求高效、穩定電源解決方案的設計工程師來說,LP3610S 絕對是一個值得信賴的選擇。