在現代電子設備中,充電器作為必不可少的配件之一,其性能和效率直接影響到設備的充電速度和使用壽命。LP3669A是一款專為5V 500mA輸出設計的電源芯片,以其高效、穩定和集成度高的特點,在充電器方案中占據重要地位。本文將深入探討LP3669A電源芯片的優勢以及基于該芯片的電路方案設計。
高性能隔離型適配器和充電器的自供電原邊反饋控制芯片:LP3669A能夠通過檢測變壓器原邊的電流和電壓實現恒流和恒壓功能,內置環路穩定性補償,可以省略TL431、光電耦合器以及輔助繞組供電。
極低的待機功耗,滿足六級能效:LP3669A的極低待機功耗使其滿足當前對能效要求極高的市場標準。
谷底開通機制,提升系統效率:采用谷底導通技術,提升恒壓效率,降低能耗。
專利的電流驅動,降低溫升:特有的電流驅動技術有助于降低芯片在工作時的溫度,提高可靠性。
特有隨機抖頻,改善EMI:LP3669A采用特有的隨機抖頻技術,優化EMI特性,減少電磁干擾。
高精度的恒壓恒流控制:LP3669A能夠實現高精度的恒壓恒流控制,保證充電器的輸出穩定。
特有的輸出線損補償技術:通過設定FB上的電阻值來調節輸出線纜補償值,有效補償輸出電流在輸出線上的損耗壓降。

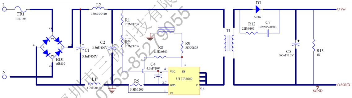
電路設計:LP3669A適用于雙繞組原邊反饋控制,系統工作于斷續模式,適用于充電器和適配器以及其他輔助類電源。LP3669A采用特有的輸出線損補償技術,可以有效的補償輸出電流在輸出線上的損耗壓降;恒壓時,采用谷底導通技術,提升恒壓效率。

恒流控制與輸出電流設置:LP3669A逐周期檢測電感的峰值電流,通過設定外部的限流電阻和變壓器原副邊匝比來實現恒流輸出功能。輸出電流計算方法為:IO=14×IPPK×NPNSIO=41×IPPK×NSNP,其中,NPNP 是變壓器主級的匝數,NSNS 是變壓器次級的匝數,IPPKIPPK 是主級側的峰值電流。
恒壓控制與輸出電壓設置:LP3669A通過分壓電阻采樣反激電壓,電阻分壓后得到的電壓與內部基準比較形成閉環后,來恒定輸出電壓VoVo。VO=1.2×(RFBL+RFBH)RFBL×NS×NPVO=RFBL1.2×(RFBL+RFBH)×NS×NP,其中,RFBLRFBL 是FB下拉電阻,RFBHRFBH 是FB上拉電阻。
保護功能:LP3669A集成了多種保護功能,包括VCC鉗位/欠壓保護,輸出短路保護,過溫保護等,確保充電器在各種異常情況下的安全運行。
LP3669A電源芯片以其高效、穩定和集成度高的特點,成為5V 500mA輸出充電器方案的理想選擇。通過深入理解LP3669A的優勢和電路方案設計,工程師可以設計出性能優異、安全可靠的充電器產品,滿足市場對高效能充電器的需求。