-
0.3間距H1.0翻蓋臥式鍍金fpc連接器
料號:XMTFGWT0310-**-2R-01
高度H=1.0mm,位數覆蓋13、15、17....39、41、45、49、51位。
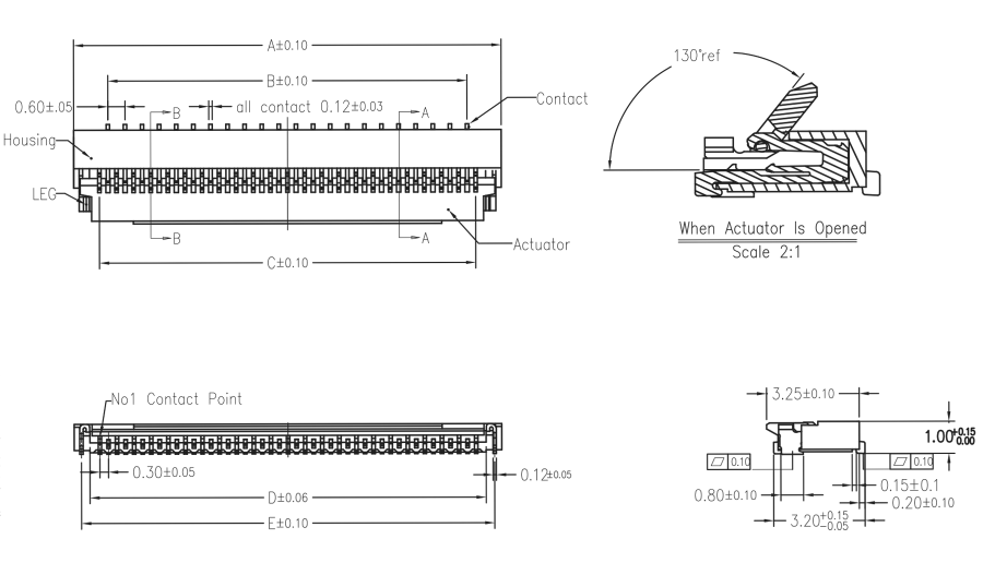
(一)0.3間距H1.0翻蓋臥式鍍金fpc連接器圖面:

(二)0.3間距H1.0翻蓋臥式鍍金fpc連接器性能參數:
(1)材料構成:主體(LCP)、后蓋、端子(磷青銅)、焊片(磷青銅)
(2)最大允許電壓:30V AC;最大允許電流: 0.2A DC;使用溫度范圍:-55℃~85℃(包括產品電流通過所產生的溫度)
(3)接觸電阻:將fpc連接器與排線連接,測試電壓20mV,電流10mA,進行阻抗測試:最大接觸電阻≤40mΩ。
(4)耐電壓:將fpc連接器與排線連接,相鄰端子間可以承受250V AC 1分鐘,目視外觀無任何損失變形。
(5)絕緣阻抗:將fpc連接器與排線連接,提供相鄰端子間測試電壓500V DC進行絕緣阻抗測試,最小要達到50MΩ。
(6)保持力:fpc端子與PEG插進主體水平方向拔出力量,最小達到0.1kgf。
(7)FFC/FPC保持力:將fpc蓋子扣住后,以操作速度25.4±3mm/min速度進行測試,片數≥17pin時,FFC/FPC每pin保持力0.03kgf以上;片數<17pin時,FFC/FPC每pin保持力0.04kgf以上。

(8)插拔次數耐久性:操作速度Max 10次/min,耐久次數20次,接觸阻抗≤60mΩ。(9)震動實驗:振幅1.52mm;振動頻率10~55HZ;振動時間x、y、z軸各2小時。實驗后,外觀不可破壞,接觸阻抗≤60mΩ,斷電時間最大1秒。
(10)焊錫性:245±5℃條件下保持3±0.05秒后,焊接覆蓋面積必須達95%以上,不得有漏焊現象。
(11)回流焊高溫測試:置于150℃~180℃下,90±30秒;置于230℃下30±10秒;峰值溫度250+0/-5℃,小于10秒;測試外觀不可破壞。

(12)熱沖擊實驗:溫度變化范圍:-55℃~85℃:從-55℃開始,30分鐘轉換到85℃,轉換時間不超過30秒,共5個循環。測試接觸組抗≤60mΩ。
(13)耐濕性實驗:溫度20℃~60℃,相對濕度90~95%,持續96小時。經試驗后,fpc連接器置于室溫中放置1~2小時,在測試其值,接觸電阻≤60mΩ,絕緣阻抗>20MΩ。
(14)恒溫恒濕實測試:將fpc連接器置于85℃調價下250小時,接觸電阻≤60mΩ。
(15)耐鹽霧測試:鹽水比重5%,溫度15℃~55℃,實驗時間22~26小時。用清水將殘留鹽份清理掉并將水滴清除后,接觸電阻≤60mΩ







